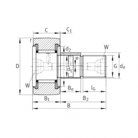
Опорный однорядный ролик KRE30-PP с эксцентриком и уплотнительным кольцом выдерживает высокие радиальные и осевые нагрузки. Наличие эксцентрика позволяет изготавливать сопрягаемую конструкцию с более грубыми допусками. Подходят для всех типов роликовых приводов, треков и конвейерных систем. Не имеет возможности консистентной смазки. Повторное смазывание производится с торцов цапфы. Рабочая температура от -30° до +80° C
Бренд
TECHNIX
B, мм
40
B1 мм
15.2
Be, мм
11
B3, мм
6,5
G1, мм
13
Max кол-во оборотов, rpm
8300
Вес, кг (Алюминий)
0.088
M, мм2
3
Коэффициент нагрузки С0, N
8400
Коэффициент нагрузки С, N
6800
Тип
KRE-PP
Установочный винт G
M12x1.5
